电源板简介与工作原理
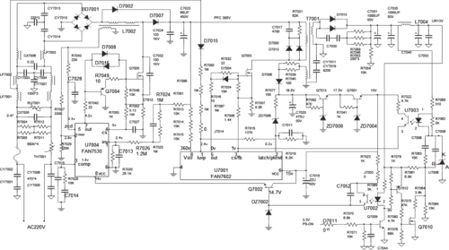
我们需要了解这块电源板的基本功能,夏普40LX440使用的电源板型号通常是LJ41-33101A 或类似型号(如 LJ44-xxxxx),它是一块二合一电源板,集成了两个主要功能:

(图片来源网络,侵删)
- PFC(功率因数校正)电路:负责将整流后的不稳定高压直流电(约300V)转换成稳定的约380V高压直流电,为主电源和背光驱动电路供电,它能减少对电网的谐波干扰。
- 主电源/背光驱动电路:
- 主电源:将PFC输出的380V高压电转换为电视主板和屏幕逻辑板所需的各种低压直流电,如+5V(主板待机电源)、+12V(主板供电)、+24V或+32V(屏幕逻辑板供电)等。
- 背光驱动:将+24V或+32V电压转换为交流高压,点亮屏幕背光模组中的LED灯珠。
电源板的工作流程是:市电AC220V → 抗干扰电路 → 桥式整流 → PFC电路(升压至380V DC) → 主电源/背光驱动电路(产生各组低压和背光高压)。
常见故障现象及原因分析
根据电源板损坏的部位不同,会表现出不同的故障现象:
现象1:完全无法开机,指示灯不亮
这是最常见的故障,通常意味着电源板前端或待机电路有问题。
-
可能原因1:保险丝熔断
(图片来源网络,侵删)- 原因:后级电路存在严重短路,如PFC开关管(大MOS管)、桥堆、主电源的开关管、整流二极管等被击穿。
- 特点:断电后,用万用表二极管档测量上述元件,会发现阻值很小或为0,已击穿短路。
-
可能原因2:PFC电路故障
- 原因:PFC控制芯片(如NCP1399或类似型号)及其外围电路(如驱动电阻、反馈电阻、ZCD零电流检测电阻)损坏,导致PFC电路不工作,PFC不工作,主电源和背光驱动就得不到正常的工作电压(380V),整机无法启动。
- 特点:测量PFC输出端电压,远低于380V,可能只有300V左右(未经PFC升压的原始电压)。
-
可能原因3:副电源(待机电源)故障
- 原因:负责产生+5V待机电压的小功率电源电路损坏,这块电路通常由一个小的开关管(如SMD封装的MOS管)和一个小变压器组成。
- 特点:即使主PFC和主电源都正常,但待机5V无输出,主板检测不到电源就绪信号,不会发出开机指令,指示灯自然不亮。
现象2:指示灯亮,但屏幕不亮,无图像无声音
这通常意味着主电源或背光驱动电路工作异常。
-
可能原因1:主电源故障
(图片来源网络,侵删)- 原因:主电源的PWM控制器(如NCP1397、SG6848等)或其外围电路(如反馈光耦、稳压二极管、采样电阻)损坏,导致主电源各组电压(如+12V, +24V)无输出或输出电压异常。
- 特点:用万用表测量主电源输出的低压端,电压为0或远低于正常值。
-
可能原因2:背光驱动电路故障
- 原因:背光驱动芯片(如OZ9998, OZ9976等)或其外围电路(如MOS管、电感、升压二极管、采样电阻)损坏。
- 特点:
- 屏幕不亮,但用手电筒贴近屏幕,能看到非常暗淡的图像,这说明主板和屏幕逻辑板工作正常,问题100%出在背光驱动电路上。
- 可以听到电视内部发出轻微的“吱吱”声,这是背光驱动电路因过载或短路而工作在保护状态,开关变压器在振荡。
现象3:开机后,电源板发出“吱吱”的异响
- 原因:这通常是过载保护或短路保护的典型特征,电源板检测到某一路输出电流过大,于是控制器启动保护,间歇性工作,从而产生声音。
- 排查重点:
- 主电源输出端:检查+12V、+24V等输出端对地是否短路,通常是滤波电容或后续电路短路。
- 背光输出端:检查背光高压输出端到屏幕排线之间是否短路,或者屏幕背光模组本身存在短路(如LED灯珠损坏)。
- PFC或主电源开关管本身软击穿。
故障排查与维修步骤(动手能力强的用户参考)
⚠️ 安全警告:电视机内部存在高压,即使断电后,大滤波电容中仍储存有致命的高压电,在维修前,务必对PFC电路的滤波电容(通常是两个大胖电容)进行放电操作,可用大功率电阻(如1K/5W)的两个表笔接触电容正负极进行放电,非专业人员请勿尝试!
工具准备:万用表(带二极管档和电容档)、示波器(专业维修必备)、电烙铁、焊锡、吸锡器、松香等。
第一步:目测与静态电阻测量
- 目检:仔细观察电源板,看是否有明显烧黑的元件、炸裂的电容、虚焊的焊点。
- 测量保险丝:
- 若保险丝熔断,说明后级有严重短路。切勿直接更换保险丝通电!
- 用万用表二极管档测量PFC开关管D-S极、桥堆交流输入/输出端、主电源开关管D-S极、整流二极管等,找出被击穿的短路元件并更换,检查与之串联的限流电阻是否也烧坏。
- 测量大滤波电容:断电后放电,用万用表电容档测量PFC电路的两个大电容(通常是220μF/400V左右),检查是否容量衰减或失效。
第二步:通电测试(关键步骤)
- 制作假负载:为了安全测试主电源,需要制作假负载,在+12V输出端并联一个10Ω/10W的大功率水泥电阻(电流约1.2A)。
- 断开负载:将电源板从电视上拆下,与主板完全断开连接。
- 通电测试:
- 测量PFC输出电压:通电后,首先测量PFC电路输出端(通常是两个大电容的正极)的电压,正常应在380V左右,如果只有300V,说明PFC电路未工作。
- 测量主电源输出电压:如果PFC电压正常,再测量主电源的+5V、+12V、+24V等输出端电压,如果电压正常或接近正常,说明主电源基本正常,如果电压为0或波动剧烈,说明主电源有故障。
第三步:针对性维修
- 如果PFC电压不正常(约300V):
- 检查PFC控制芯片的供电脚(如VCC)是否有电压。
- 检查芯片的使能脚、过零检测脚、电压反馈脚等关键引脚的电压是否正常。
- 检查外围的ZCD电阻、采样电阻、驱动电阻是否开路或变值。
- 如果主电源输出电压不正常:
- 检查主电源PWM控制芯片的供电。
- 重点检查反馈环路:检查光耦是否导通,稳压二极管(如4.7V或13V)是否正常,采样电阻是否变值,反馈环路是开关电源最容易出问题的部分之一。
- 如果背光不亮(有图像):
- 测量背光驱动芯片的供电(如VCC)和使能脚(如EN)电压是否正常。
- 检查升压电路的MOS管、升压二极管、储能电感是否损坏。
- 检查电流采样电阻是否变值或开路。
更换电源板方案
对于大多数普通用户来说,自行维修电源板难度大、风险高、且需要专业工具。更换一块新的电源板是最高效、最安全的解决方案。
-
确认型号:
- 拆下电视后盖,找到电源板,上面会印刷型号,如 LJ41-33101A 或 LJ44-xxxxx。务必记下完整型号,这是购买新电源板的关键。
- 也可以通过电视型号“LCD-40LX440”在网上搜索“电源板”,通常会找到匹配的型号。
-
购买渠道:
- 电商平台:在淘宝、京东等平台搜索电源板型号,是主要的购买渠道,注意选择信誉好、销量高的店铺。
- 专业维修网站:如“迅维网”的“迅维淘”等,这些地方通常有维修人员出售原装或高质量的代换板。
-
购买注意事项:
- 认准型号:型号必须完全匹配或兼容。
- 新旧程度:有“全新原装”、“拆机件”、“维修后”等选项,建议选择全新或信誉好的商家提供的“测试良品”。
- 价格:该型号电源板价格通常在150-300元人民币之间,根据新旧和卖家不同有所浮动。
-
更换步骤:
- 断开电视所有电源。
- 拆下电视后盖。
- 找到电源板,拔掉连接到主板和屏幕的所有排线(最好拍照记录),并拧下固定螺丝。
- 将新电源板装上,连接好所有排线(注意方向,不要插反),拧好螺丝。
- 装回后盖,通电测试。
| 故障现象 | 最可能的原因 | 解决方案 |
|---|---|---|
| 指示灯不亮 | 保险丝熔断、PFC电路故障、副电源故障 | 更换电源板(推荐)或送修 |
| 指示灯亮,黑屏 | 主电源无输出、背光驱动故障 | 更换电源板(推荐)或送修 |
| 开机有“吱吱”声 | 电源板过载/短路保护 | 更换电源板(推荐),非专业人士不要强行开机 |
最终建议:对于夏普LCD-40LX440的电源板故障,最省心、最安全的方法是购买一块同型号的新电源板进行更换,成本可控,操作相对简单,且能彻底解决问题,如果对电路不熟悉,切勿自行拆解维修,以免造成二次损坏或触电危险。
