重要提示:安全第一!
在进行任何内部检查之前,请务必:

(图片来源网络,侵删)
- 断开电视电源,并拔掉电源线。
- 等待至少10-15分钟,让内部高压电容充分放电。
- 如果您没有电子维修基础和工具(如万用表),强烈建议不要自行拆机,电视机内部存在高压电,非专业人员操作有触电风险,最好联系专业维修人员。
电源指示灯亮,但屏幕无光、无图像、无声音
这种情况说明电源板基本能工作,为主板和背光板提供了初步的供电,问题可能出在主板信号处理、驱动,或者背光板本身。
可能原因及排查步骤:
第一步:检查信号源和遥控器
- 信号源问题:确保您选择的HDMI/AV输入端子与您连接的设备(机顶盒、游戏机等)一致,尝试切换到其他信号源。
- 遥控器/按键问题:用遥控器或电视侧面的物理按键,尝试调出菜单,如果能调出菜单,说明系统基本正常,可能是信号源或解码问题,如果菜单也调不出,问题更偏向于主板。
- “屏保”或“节能模式”:检查是否误触进入了屏保或节能模式,尝试按任意键或解除屏保设置。
第二步:检查背光是否点亮(关键步骤) 这是判断故障核心的最重要方法。
- 操作方法:在完全黑暗的房间里,打开电视,用手电筒以一个很小的角度,贴近屏幕仔细观察。
- 观察结果:
- 能看到非常暗淡的图像:恭喜您,这说明主板和屏驱动逻辑板是好的,问题极大概率是背光板(LED灯条驱动板)故障,背光板上的LED灯条或升压电路损坏,导致背光不亮,所以您只看到黑屏,这是此型号电视最常见的故障之一。
- 完全看不到任何图像:这说明问题可能更复杂,可能是主板没有发出启动信号,或者逻辑板(TCON板)损坏,导致屏没有工作。
第三步:听开机声音

(图片来源网络,侵删)
- 开机声音:仔细听电视开机时,是否有“滴”的一声开机音效,或者机顶盒接入时是否有提示音。
- 有声音:说明音频功放部分工作正常,问题集中在视频信号处理和显示部分(主板或背光)。
- 完全没有声音:说明主板可能根本没有完全启动,或者音频部分也同时损坏。
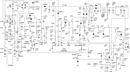
第四步:检查电源板输出电压 如果您有万用表和一定基础,可以测量电源板输出到主板的电压是否正常。
- 常见电压:通常需要测量 +5V (为主板待机/逻辑供电)、+12V、+24V (为背光板和部分电路供电) 等。
- 判断:+5V 正常,但 +12V 或 +24V 无输出或电压过低,则通常是电源板故障。
电源指示灯不亮或闪烁,整机无任何反应
这种情况说明电视的电源部分(从市电到主板供电的整个路径)出了问题。
可能原因及排查步骤:
第一步:检查外部电源和插座
- 插座问题:确保插座有电,可以插一个台灯或手机充电器试试。
- 电源线问题:检查电视电源线是否有破损,插头是否松动,尝试换一根确认好的电源线。
第二步:检查电源板(主板)的待机电路 电源指示灯由电源板的待机电路控制,灯不亮,说明待机电路没有工作。

(图片来源网络,侵删)
- 保险丝:这是最容易损坏的元件,如果保险丝熔断,说明电源板存在严重短路(如电容、变压器击穿)。更换保险丝前,必须找到短路原因并排除,否则换上新的会立刻再次熔断。
- PFC(功率因数校正)电路:这是电源板前级的重要电路,故障率较高,如果PFC电路不工作,整个电源无法启动。
- 副电源(待机电源)芯片:一个小型的开关电源,专门负责在待机状态下提供 +5V 电压来点亮电源灯和维持主板待机,这个芯片或其周边的元件(如变压器、电容、稳压管)损坏是导致指示灯不亮的常见原因。
第三步:检查主板的开机信号 如果电源指示灯亮(待机状态),但按开机键后灯灭且无反应,可能是主板没有发出开机信号,或者电源板无法响应开机信号。
- 开机按键:检查电视上的物理开机按键是否失灵。
- 主板上的开机电路:主板上的微处理器(CPU)没有工作,或者负责发送开机指令的电路损坏。
总结与常见故障点
对于夏普LC-46LX830H这款电视,根据维修经验,最常见的故障点集中在:
- 背光板(LED Driver Board)故障:这是最最常见的故障,表现为电源灯亮,有开机声音,但屏幕全黑,手电筒照射能看到暗淡图像,通常是背光板上的升压IC(如OZ9926/OZ9928等)损坏,或者驱动灯条的MOS管损坏,或者LED灯条本身局部损坏导致保护。
- 电源板故障:
- 指示灯不亮:通常是待机副电源损坏。
- 指示灯亮但无法开机:通常是主电源的PFC电路或主开关电源电路损坏。
- 主板故障:相对较少,但也会发生,通常是CPU或其周边晶振、存储器等损坏,导致无法启动系统。
- 逻辑板(TCON板)故障:会导致图像异常、花屏、黑屏等,但通常电源灯和声音是正常的。
给您的建议
- 先自行排查:按照上述“情况一”和“情况二”的步骤,先做简单的检查,比如换电源线、换信号源、用手电筒看屏幕等。
- 寻求专业帮助:如果自行排查后无法确定问题,或者怀疑是电源板、背光板等内部硬件故障,请立即联系专业维修师傅,他们有专业的工具(如示波器、可调电源)和经验,能快速定位故障点并进行维修,维修费用通常在200-500元不等,具体看损坏的部件。
- 考虑成本:这款电视是老型号,维修价值需要考虑,如果维修费用过高,可能不如直接更换一台新电视或二手液晶电视划算。
希望这些信息能帮助您判断问题所在!
