在进行任何内部操作之前,务必先切断电源,并对显像管高压进行放电,否则有触电危险!如果您不具备电子维修基础和经验,强烈建议联系专业维修人员。

(图片来源网络,侵删)
维修前的准备工作
-
安全第一:
- 断开电源,拔下插头。
- 打开电视机后盖,找到显像管尾部的“高压帽”,用带绝缘柄的螺丝刀或专用放电工具,从高压帽连接处到显像管接地部分(通常是显像管壁上的金属涂层或专门的地线螺丝)进行多次放电,确保没有残余高压。
- 注意电容,即使断电后,大容量的滤波电容中仍可能存有高压,需用万用表确认其已放电完毕。
-
工具准备:
- 万用表(必备,用于测量电压、电阻)
- 示波器(高级工具,用于观察信号波形,有条件者最佳)
- 电烙铁、焊锡、松香
- 吸锡器或吸锡线
- 常用螺丝刀
- 隔缘胶带、扎带等
-
图纸资料:
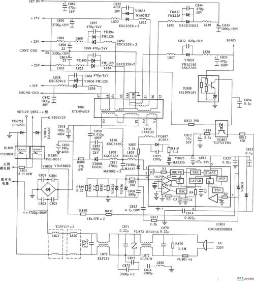
- 找到该型号的电路原理图和维修手册,对于这种老机器,网上通常还能找到,图纸是维修的“地图”,至关重要。
故障分类与维修思路
我们可以根据电视机的故障现象,将其分为几大类进行排查。

(图片来源网络,侵删)
故障现象一:完全无光栅、无声音、无图像(“三无”)
这是最严重的故障,通常发生在电源部分或行扫描部分。
维修思路: “三无”故障的核心是电源不工作或行扫描电路不工作导致电源保护,维修时应遵循“先电源,后负载”的原则。
具体步骤:
-
目视检查:
(图片来源网络,侵删)- 检查保险管(F901)是否熔断,如果保险管发黑或熔断,说明后级电路存在严重短路。
- 检查电源板上的电解电容是否有鼓包、漏液现象。
- 检查是否有明显的元件烧焦、断裂或虚焊。
-
测量电源输出:
-
如果保险管熔断:不能直接更换新的保险管通电!必须先找到短路点。
- 断开负载:拔掉与电源板连接的所有插头,主要是连接主板(主板上有行输出变压器等大功率负载)的插头。
- 代换法测量:用一个假负载(如60W/220V灯泡)串联在保险管位置,或者直接测量电源板各路输出端的对地电阻。
- 重点检查主电压+B(通常为+135V左右)的对地电阻,如果阻值接近0欧姆,说明后级短路,常见短路点有:
- 行输出管(Q501):这是最容易损坏的元件之一,测量其c-e极是否击穿短路。
- 行输出变压器(FBT/回扫变压器):内部短路会导致+B电压急剧下降,保险熔断。
- 偏转线圈:对地短路。
- 电源本身:开关管(Q901)击穿等。
-
如果保险管完好:
- 开机测量电源板各路输出电压是否正常,主要关注+B(约135V)、+12V、+5V、+22V等。
- B电压为0V:故障在电源板本身,检查启动电阻、反馈电路、开关管、PWM控制器芯片(如STR-S6709A或其升级型号)等。
- B电压严重偏低(如只有几十伏):通常是电源处于保护状态,原因可能是:
- 行扫描电路未工作,导致电源负载过轻,电源进入保护。
- 负载电流过大,电源自我保护。
- 电源本身故障。
-
-
检查行扫描电路:
- B电压正常,但整机仍“三无”,则故障在行扫描电路。
- 测量行输出管Q501的基极是否有-0.1V ~ -0.3V的负压,这是判断行振荡和行推动电路是否正常工作的关键。
- 如果基极无负压,说明行振荡或行推动电路有问题,检查行振荡IC(如IC601 AN5195K或其周边电路)、行推动管(Q502)及其变压器(T501)。
- 如果行输出管基极有负压,但阳极无高压,听不到“吱吱”声,则可能是行输出管开路、行输出变压器损坏或阳高压帽接触不良。
故障现象二:有光栅,无图像、无声音(“有声画”)
这种情况说明电源和行、场扫描电路基本正常,故障出在信号处理通道。
维修思路: 信号从天线输入,经过高频头、中放、解码、视放等环节,最终到显像管,需要顺着信号流程排查。
具体步骤:
-
检查屏幕特征:
- 屏幕是纯净的白光栅还是蓝光栅/红光栅?
- 白光栅:说明视放电路工作正常,但视放信号(Video)没有送来,故障在视频信号处理之前(中放、解码)。
- 单色光栅(如蓝屏):说明视频信号已经到达视放电路,但RGB基色信号或亮度/对比度控制有问题,常见原因是显像管座老化、视放板故障或CPU发出的“无信号蓝屏”控制信号异常。
- 屏幕是纯净的白光栅还是蓝光栅/红光栅?
-
从后向前排查:
- 测量视放板(CRT Board):
- 找到连接显像管尾部的电路板,测量三个视放管(通常为Q801-R, Q802-G, Q803-B)的集电极电压,正常工作时,有信号时电压会变化(白光栅时电压较低,有图像时根据画面变化)。
- 如果电压异常,检查视放管本身、供电以及来自主板RGB信号和ABL(自动亮度限制)信号。
- 检查解码/小信号处理IC(如IC601 AN5195K):
- 测量IC601的供电电压(如+8V, +5V)是否正常。
- 用示波器或万用表测量其视频输入端(如第45脚)是否有视频信号波形,如果没有,检查中放IC。
- 检查其RGB输出端(如第23, 24, 25脚)是否有正常的RGB波形输出。
- 检查高频头和中放IC:
- 测量高频头(TU101)的供电(+32V, +5V, +33V AGC)是否正常。
- 测量高频头的VT(调谐电压)是否在0-30V之间变化(手动或自动搜台时)。
- 检查中放IC(如IC101)及其周边电路,确保图像中频信号被正确放大和检波。
- 测量视放板(CRT Board):
-
检查CPU和总线系统:
- 这种机器通常有I²C总线(SDA, SCL线),如果总线系统(CPU、存储器、被控IC之间)通信异常,会导致各种奇怪故障,包括无图无声。
- 测量CPU(如IC1101 MN152810TWI)的SDA和SCL线电压,正常时应在几伏左右微微摆动,如果电压被拉低到0V或固定在某个高电平,说明总线有短路或某个挂载的IC损坏。
故障现象三:图像或声音异常
-
图像扭曲、拉丝、有干扰条纹:
- 检查AGC电路:图像中放自动增益控制异常,会导致信号过强或过弱。
- 检查电源滤波:电源滤波不良,交流纹波窜入信号通道。
- 检查接地:接地不良,引入干扰。
- 检查行辐射:行输出变压器屏蔽不良或行逆程电容容量下降,产生行辐射干扰图像。
-
图像彩色异常(缺色、偏色、彩色失真):
- 检查显像管座:这是老电视的通病!管座受潮氧化,会导致接触不良,特别是G1(栅极)和RGB阴极,直接导致缺色或偏色。强烈建议直接更换一个新的显像管座。
- 检查视放板:视放管、集电极负载电阻、耦合电容等元件损坏。
- 检查解码IC:其内部或外部的色度、色同步处理电路有问题。
-
声音小、有杂音、无声:
- 检查音频处理IC:通常在中放小信号处理IC内部或旁边,如IC101 AN5195K本身也包含伴音中频处理。
- 检查音频功放IC:如IC201 LA4285等,检查其供电、静音控制脚和输入/输出信号。
- 检查伴音制式切换电路:如果制式切换错误,会导致无伴音。
总结与关键点
- 电源和行扫描是基础:这两部分不工作,整机就瘫痪,维修“三无”故障时,务必先确认电源是否正常,再检查行扫描。
- 信号流程是主线:对于有光栅无图声的故障,顺着天线->高频头->中放->解码->视放的信号路径一步步排查,效率最高。
- “三极管”是重灾区:行输出管、电源开关管、视放管是功率消耗大的元件,在过压、过流、负载短路时极易损坏,是检查的重点。
- “电容”是老化区:电解电容是机器的“软肋”,长时间使用后容量下降、ESR增大,会导致电源纹波大、同步不良、图像扭曲等故障,对于超过10年机龄的电视,建议对所有大容量电解电容进行预防性更换。
- “总线”是大脑:I²C总线系统控制着电视的绝大多数功能,总线一“罢工”,电视就会“失智”,测量总线电压是判断总线系统健康与否的第一步。
- “显像管座”是通病:TC-29GF85G这种型号,显像管座老化问题非常普遍,遇到色彩问题,先换管座往往能解决。
希望这份详细的维修指南能对您有所帮助,祝您维修顺利!
