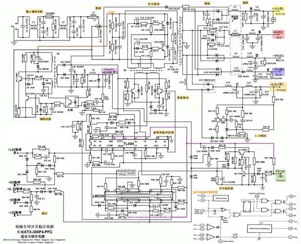
第一部分:ATX电源电路图解析
ATX电源的核心是一个开关电源(Switched-Mode Power Supply, SMPS),其基本原理是:先将市电(AC 220V)整流滤波成高压直流电,然后通过高频开关管(如MOSFET)的快速导通和关断,将高压直流电斩波成高频脉冲,再通过变压器进行降压,最后整流滤波输出稳定的低压直流电。

(图片来源网络,侵删)
一个典型的ATX电源可以划分为以下几个主要功能模块:
输入滤波与浪涌保护电路
- 作用:
- 滤波:滤除市电中的高频干扰,防止其进入电源内部;同时也防止电源自身产生的高频干扰污染电网。
- 浪涌保护:防止瞬间的高压尖峰(如雷击)损坏后级电路。
- 主要元件:
- X电容 (X-Capacitor, Cx):跨接在火线和零线之间,用于滤除差模干扰。
- Y电容 (Y-Capacitor, Cy):跨接在火线/零线和地线之间,用于滤除共模干扰。
- 共模电感:与Y电容配合,有效滤除共模噪声。
- 负温度系数热敏电阻:在电源刚启动时,电阻值很大,可以有效限制开机瞬间的浪涌电流;随着电流通过,电阻自身发热,阻值迅速变小,减少正常工作时的损耗。
- 压敏电阻:当电压超过其阈值时,电阻急剧下降,形成短路,将保险丝熔断,从而保护后级电路。
整流滤波电路
- 作用:将220V的交流电转换成约310V的直流电。
- 主要元件:
- 桥式整流器:由四个二极管组成,将交流电全波整流成脉动直流电。
- 高压滤波电容 (Primary Bulk Capacitor):通常是两个大容量的电解电容(如400V, 470μF)串联,将脉动直流电平滑成相对稳定的310V高压直流电。
开关电路(核心部分)
- 作用:将高压直流电通过高频开关管转换成高频脉冲,传递给变压器。
- 主要元件:
- 开关管:通常是MOSFET,作为高速电子开关。
- 开关变压器 (主变压器):核心部件,将高压脉冲隔离并降压,初级绕组接收来自开关管的能量,次级绕组输出不同电压等级的脉冲。
- 驱动电路:为开关管提供合适的栅极驱动信号,控制其开关频率和占空比。
- PWM控制器:如 TL494, UC384x 系列芯片,这是电源的“大脑”,它通过反馈电路获取输出电压信息,动态调整驱动信号的占空比,从而实现稳压。
辅助电源电路
- 作用:这是ATX电源区别于传统电源的关键,只要电源接上市电,即使主板未开机,此电路也会工作,为PWM控制器等芯片提供+5VSB (Standby) 电压,以支持“电源开关”和“远程唤醒”等功能。
- 主要元件:
- 一个小型的独立变压器和开关管。
- 输出 +5VSB 电压。
次级整流滤波电路
- 作用:将开关变压器次级绕组输出的高频脉冲电压,整流滤波成电脑所需的各种稳定直流电压。
- 主要元件:
- 低压整流二极管/肖特基二极管:快速恢复或肖特基二极管,用于整流。
- 低压滤波电容:多个电解电容和电容,用于平滑电压,降低纹波。
- 电感:与电容组成LC滤波电路,使输出更纯净。
- 输出电压:
- +3.3V, +5V, +12V:为主板、CPU、硬盘、显卡等供电。
- -12V, +5VSB:为某些串口设备或待机电路供电。
反馈与保护电路
- 作用:这是电源稳定和安全运行的关键。
- 主要元件:
- 光电耦合器 (Optocoupler, 光耦):连接初级和次级,实现“冷”隔离反馈,次级电压通过电阻分压后,与一个精密稳压源(如TL431)比较,产生误差信号,光耦将这个信号传递到PWM控制器,从而调整输出电压。
- 保护电路:
- 过压保护:输出电压过高时,击穿稳压管或触发SCR,使电源关闭。
- 过流保护:检测输出电流,当电流过大时,关闭PWM输出。
- 短路保护:输出端发生短路时,电源立即停止工作。
- 过功率保护:当负载功率超过电源额定功率时触发。
- 过温保护:通过热敏电阻检测电源内部温度,过高时关闭电源。
PG信号电路
- 作用:向主板发送“电源良好”信号。
- 工作原理:电源启动后,+5V电压稳定后,会延迟一段时间(约100-500ms),然后通过一个三极管或逻辑电路拉低PG信号的电平(通常是高电平有效),主板检测到PG信号有效后,才开始启动系统,如果电源输出异常,PG信号会变为无效,通知系统关机。
第二部分:常见故障检修
检修ATX电源,安全永远是第一位的! 必须严格遵守以下安全准则:
- 断电操作:在检修任何部分前,务必拔掉电源线,并等待几分钟让高压电容自行放电。
- 强制放电:为了安全,最好用一个大功率电阻(如1kΩ, 5W)的两个引脚去接触滤波电容的正负极,确保其已无电荷。
- 隔离测试:电源不能直接在主板上测试,最好准备一个“假负载”(Dummy Load),用于模拟主板的功耗进行测试,一个简单的假负载可以用大功率水泥电阻制作,
- +5V: 10Ω / 25W
- +12V: 24Ω / 25W
- +3.3V: 10Ω / 25W
- 使用隔离变压器:如果条件允许,使用一个1:1的隔离变压器可以防止因热地(L线)和冷地(N线)接反而导致的触电风险。
检修流程(从简到繁)
-
目视检查:打开电源外壳,观察有无明显损坏,如:
- 保险丝:是否烧断发黑?如果烧断,说明后级存在严重短路故障。
- 电容:有无鼓包、漏液、顶部爆裂?这是最常见的故障点之一。
- 电阻:有无烧焦、变色?
- 元件:有无虚焊、脱焊?
-
静态电阻测量:不插电,用万用表电阻档测量关键点的对地电阻,判断有无短路。
(图片来源网络,侵删)- 测量桥式整流器输出端对地电阻:正常情况下,应有几十千欧以上的阻值,如果接近0Ω,说明后级(开关管、滤波电容等)有严重短路。
- 测量各路输出端对地电阻:特别是+5V和+12V,检查有无输出短路。
-
通电初步测试:
- 短接PS-ON:ATX电源需要主板发送一个低电平信号(PS-ON)才能启动,用一根导线短接24pin接口的绿色线(PS-ON)和任意一根黑色线(地线),此时电源风扇应该转动。
- 观察现象:
- 风扇不转,无任何反应:问题可能在辅助电源、PWM控制器或驱动电路。
- 风扇转一下就停,或发出“滴”的一声:通常是过保护被触发,说明输出端有短路或某个元件参数异常导致过压/过流。
- 风扇持续转动,但输出电压异常:说明开关电路在工作,但稳压或反馈环路有问题。
常见故障现象及原因分析
| 故障现象 | 可能原因 | 检修思路 |
|---|---|---|
| 完全无反应,风扇不转 | 电源线或插座问题。 保险丝烧断。 辅助电源故障(如+5VSB无输出)。 PWM控制器或其供电电路损坏。 |
检查电源线和插座。 检查保险丝,若烧断,必须找到并排除短路故障后才能更换新保险丝。 测量+5VSB输出是否正常,若不正常,检查辅助电源相关元件。 检查PWM控制器及其外围电路。 |
| 通电后风扇转一下就停(保护) | 主滤波电容击穿短路。 开关管击穿短路。 次级整流二极管击穿短路。 PWM控制器损坏,导致输出失控。 某路输出对地短路。 |
重点怀疑! 测量主滤波电容是否短路。 测量开关管D-S极是否短路。 测量次级各路整流二极管是否短路。 测量各路输出对地电阻,找出短路点。 若以上都正常,可能是PWM芯片问题。 |
| 风扇持续转动,但输出电压低或无 | PWM控制器或其反馈电路故障。 驱动电路故障。 开关管性能不良或未完全导通。 次级整流滤波电路故障(如二极管开路、电容失效)。 开关变压器局部短路。 |
测量PWM控制器有无输出驱动信号。 测量驱动电路有无将PWM信号放大并传递给开关管。 测量开关管栅极有无正常的驱动波形。 测量次级整流二极管和滤波电容的好坏。 用示波器监测开关变压器初级波形,判断是否正常。 |
| 输出电压不稳定,纹波大 | 滤波电容(尤其是主滤波电容和次级输出电容)容量下降或失效。 整流二极管性能不良。 反馈环路(光耦、TL431)接触不良或性能变差。 |
最常见原因! 拆下电容用容量表或替换法检查。 用示波器观察输出波形,判断纹波来源。 检查反馈电路的元件焊点和性能。 |
| 电脑无法开机,但电源风扇转 | PG信号电路故障。 某一路(如+12V或+5V)电压偏低或波动,导致主板检测不到稳定电压而拒绝启动。 电源带不动负载。 |
测量PG信号(通常是灰色线)在电源启动后是否有高低电平的变化。 用万用表精确测量各路输出电压是否在标准范围内且稳定。 检查电源是否老化,或电脑硬件是否有短路导致瞬间电流过大。 |
- 电路图是基础:理解ATX电源的模块化工作原理是检修的前提。
- 安全是红线:严格遵守断电、放电、隔离测试的原则。
- 从简到繁:遵循“目视 -> 静态测量 -> 动态测试”的流程,事半功倍。
- 抓住重点:保险丝、主滤波电容、开关管、次级整流二极管、PWM控制器是故障率最高的元件。
- 善用工具:万用表是必备的,示波器是进阶利器,可以帮你快速定位疑难杂症。
希望这份详细的解析能帮助你理解ATX电源并掌握其检修技巧!

(图片来源网络,侵删)
