重要提示:安全第一!
CRT电视内部存在高压电(即使断电后,显像管阳极上仍储存有大量电荷),非专业人员请绝对不要打开后盖进行维修,尤其是不要触碰高压包和显像管后部的高压嘴,如有必要,请务必联系专业维修人员。

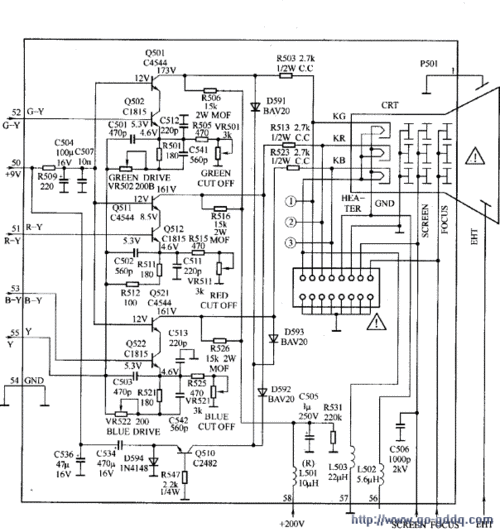
(图片来源网络,侵删)
无光栅、无声音(“三无”故障)
这是最严重的故障,通常意味着电源部分或行扫描电路出现了问题。
| 故障现象 | 可能原因 | 排查思路 |
|---|---|---|
| 指示灯不亮,完全没反应。 | 电源问题: 电源线或插座接触不良。 保险丝(FUSE)熔断。 电源开关损坏。 |
检查电源线和插座是否正常。 (专业操作) 打开机器后盖,找到电源板上的保险丝,观察是否发黑或熔断,如果熔断,需进一步检查整流桥、滤波电容、开关管等元件是否短路。 |
| 指示灯亮,但屏幕无光栅,无声音。 | 行扫描电路问题: 行输出变压器(高压包)损坏。 行推动管或行输出管损坏。 行振荡电路或行供电异常。 |
(专业操作) 听是否有轻微的“吱吱”声(行频叫声),这通常意味着行负载过重或行输出电路工作不正常。 (专业操作) 测量行输出管的集电极电压是否正常,如果电压异常,重点检查行输出变压器、行管和阻尼二极管。 |
| 指示灯亮,屏幕有“吱吱”尖叫声。 | 行负载过重: 行输出变压器(高压包)内部短路。 行偏转线圈局部短路。 |
这种情况几乎可以肯定是高压包损坏,需要更换同型号的高压包。 |
有光栅,无图像
说明电源和行场扫描电路基本正常,问题出在信号处理或显像管电路。
| 故障现象 | 可能原因 | 排查思路 |
|---|---|---|
| 屏幕只有纯净的“白光栅”或“蓝光栅”(带关机亮点)。 | 视放电路或信号处理问题: 视放板(Video Board)故障,导致RGB信号被切断。 信号处理芯片(如解码芯片)无输出。 TV/AV切换开关或相关电路故障。 |
(专业操作) 用示波器或万用表测量视放板输入的RGB信号是否正常,如果输入正常而输出不正常,则问题在视放板。 尝试切换信号源(如从AV1换到AV2),看是否恢复正常,以判断是TV信号处理问题还是公共通道问题。 |
| 屏幕只有“蓝光栅”或“绿光栅”,且图像有拖影。 | 对应颜色的视放管或显像管阴极故障: 红色或绿色的视放管损坏。 显像管对应的老化或碰极。 |
(专业操作) 进入维修菜单,检查白平衡调整是否正常。 (专业操作) 测量三个视放管的输出电压,如果某个电压异常低,则检查对应的视放管和周边元件。 |
| 屏幕有光栅,但雪花点,且无任何台。 | 高频头或中放电路故障: 高频头损坏或供电异常。 中放集成电路(如TA系列芯片)损坏。 |
(专业操作) 检查高频头的供电(通常是+5V或+33V)是否正常。 (专业操作) 用信号注入法或扫频仪检查中放通道的增益和曲线。 |
图像异常(有图像,但效果差)
这类故障比较复杂,需要仔细观察现象来判断。
| 故障现象 | 可能原因 | 排查思路 |
|---|---|---|
| 图像模糊,聚焦不良。 | 聚焦电路问题: 聚焦电位器(在高压包上)位置变动或接触不良。 聚焦电压滤波电容失效。 显像管老化。 |
(专业操作) 打开后盖,找到高压包上的聚焦电位器,用绝缘的小螺丝刀缓慢调整,看图像清晰度是否改善。 如果调整无效,可能是聚焦电容失效或显像管本身问题。 |
| 图像几何失真(如枕形失真、梯形失真)。 | 行场扫描失真校正电路故障: 枕形校正电路的电容、电感或二极管损坏。 场扫描线性不好。 |
(专业操作) 检查枕形校正变压器(枕校变压器)及其周边的电容、二极管是否损坏。 通常可以通过进入维修菜单进行几何失真校正。 |
| 图像出现“拉丝”、“网纹”或干扰。 | 干扰问题: 机内屏蔽罩接地不良。 某些电容(如滤波电容)性能下降,产生自激。 外部电磁干扰。 |
检查机内所有金属屏蔽罩是否都紧固接地。 (专业操作) 用酒精棉球逐一擦拭可疑的小电容,看干扰是否消失。 搬动电视位置,看干扰是否变化,以判断是否为外部干扰。 |
| “数字窗”画中画功能异常。 | 画中画处理模块故障: 子画面高频头或中放损坏。 画中画控制芯片或存储器故障。 两路信号切换电路有问题。 |
确认主画面是否正常。 检查画中画功能是否能调出菜单,如果菜单正常但无子画面,则可能是子画面信号处理部分故障。 (专业操作) 检查画中画模块的供电和总线通信是否正常。 |
声音异常
| 故障现象 | 可能原因 | 排查思路 |
|---|---|---|
| 无声音。 | 音频处理或功放电路故障: 静音电路误动作。 音频功放集成电路(如TDA系列)损坏。 音频信号前置处理芯片故障。 |
检查是否按了静音键。 (专业操作) 用示波器测量音频功放芯片的输入端是否有信号,输出端是否放大了信号。 |
| 声音小、失真或有杂音。 | 音频功放供电不足。 音频耦合电容失效。 扬声器音圈卡死或损坏。 |
(专业操作) 检查功放块的供电电压是否正常。 (专业操作) 检查音频信号路径上的电容是否鼓包或漏液。 用万用表电阻档测试扬声器音圈是否通畅。 |
总结与建议
- 先外后内:首先检查外部连接,如天线、AV线、电源线等。
- 先简后繁:从最简单的设置(如频道、模式、音量)开始排查。
- 观察现象:仔细观察故障现象,如指示灯颜色、有无声音、屏幕上的异常形态(是点、线、还是块),这些是判断故障部位的关键线索。
- 善用维修菜单:TCL CRT电视通常有进入维修菜单的方法(如特定按键组合),可以用来进行工厂设置、白平衡调整、几何校正等,对维修非常有帮助。
- 寻找配件:对于CRT电视,很多核心配件(如显像管、高压包、行管)已经停产,维修难度和成本较高,如果机器价值不高,可能更换新机是更经济的选择。
希望这份详细的故障说明能对您有所帮助!再次强调,涉及高压电路的维修,请务必交由专业人士处理。

(图片来源网络,侵删)

(图片来源网络,侵删)
