电磁炉的电源故障是最常见的一类问题,通常表现为不通电、屏幕不亮、无任何反应等,对于“超薄”型号,其内部结构可能更紧凑,但基本原理是相通的。

(图片来源网络,侵删)
电源故障的常见症状
- 完全不通电:插上电后,屏幕没有任何显示,按键也没有任何反应,风扇也不转。
- 屏幕闪烁或显示异常代码:通电后屏幕亮一下就灭,或者显示一个故障代码(比如E0、E1、E2等,具体代码需查阅说明书)。
- 通电后“嘀”一声就断电:能听到内部继电器吸合的“嘀”声,但马上又跳闸或断电。
- 保险丝熔断:打开机壳,发现保险丝(通常为5A或10A)已经烧黑或熔断。
故障原因分析(由简到繁)
在拆机之前,请务必拔掉电源插头,并等待内部高压电容充分放电(用螺丝刀金属部分短接电容两脚),以防触电!
外部电源问题(最简单,先排查)
- 插座没电:用手机充电器或其他小电器测试一下插座是否正常工作。
- 电源线问题:检查电磁炉的电源线是否有破损、断裂或插头与插座接触不良的情况,可以尝试换一根确认好的电源线。
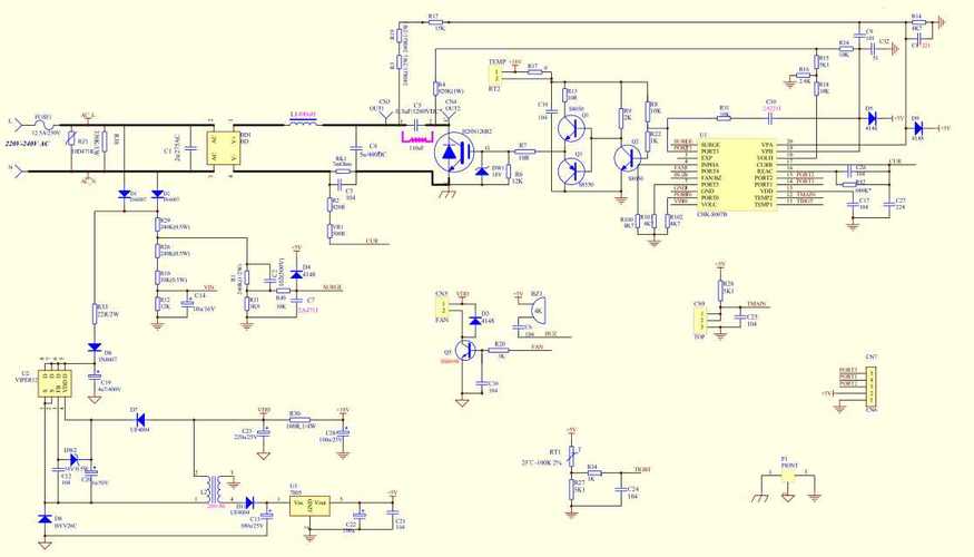
内部保险丝熔断(最常见)
保险丝是电源的“总开关”,如果它烧了,说明电路中存在严重的短路或过流问题。
- 现象:打开电磁炉外壳,找到电源板,看到一个圆柱形的玻璃管或陶瓷管,里面的金属丝已经断了,或者玻璃管发黑。
- 原因:
- IGBT管击穿短路:这是导致保险丝熔断的首要元凶,IGBT(绝缘栅双极型晶体管)是电磁炉的“心脏”,负责控制大电流,它被击穿后,220V交流电会直接通过它到地,形成巨大电流,瞬间烧毁保险丝。
- 桥式整流堆击穿短路:在保险丝之后,负责将交流电转换为直流电的元件,它击穿也会导致保险丝熔断。
- 高压电容击穿短路:滤波电容失效短路,同样会引发大电流。
- 驱动电路问题:驱动IGBT的电路异常,导致IGBT始终处于导通状态而烧毁。
低压直流电源故障(不烧保险丝,但没反应)
如果保险丝是好的,但机器依然没反应,问题很可能出在为控制板(CPU、芯片等)供电的低压电源电路上。
- 现象:保险丝完好,但测量不到+5V、+12V、+18V等给CPU供电的电压。
- 原因:
- 开关电源电路故障:这部分电路将220V高压转换为低压直流,常见故障点有:
- 启动电阻:开路,导致开关电源无法启动。
- 开关管:损坏。
- 电源控制芯片:损坏(如VIPer12A, FSD200等)。
- 变压器:初级或次级线圈开路。
- 整流二极管:开路或短路。
- 滤波电容:失效(鼓包、漏液)。
- 开关电源电路故障:这部分电路将220V高压转换为低压直流,常见故障点有:
其他可能原因
- 电源开关损坏:机器上的那个按键开关,内部触点氧化或损坏,导致电路不通。
- 线束问题:连接主板和控制板的排线松动或断裂。
- CPU或晶振损坏:低压电正常,但CPU本身或为其提供时钟信号的晶振损坏,导致CPU无法工作。
RH2102超薄型号的检修思路
对于美的RH2102这类超薄机型,其内部结构非常紧凑,电源板和控制板可能是一体化的,或者布局非常密集。

(图片来源网络,侵删)
检修步骤(务必在断电并放电后进行):
-
目视检查:
- 打开机壳,观察是否有明显的元件烧毁、发黑、鼓包现象(特别是电容、IGBT、桥堆)。
- 检查保险丝是否完好。
-
测量保险丝:
- 如果保险丝烧断:说明存在严重短路。切记! 此时不能直接换上新保险丝就通电,否则会再次烧毁,甚至扩大故障范围。
- 断开负载:将IGBT的C极(集电极)和E极(发射极)从电路板上焊开或断开。
- 测量电阻:用万用表的二极管档或电阻档,测量IGBT的C-E、C-G、G-E之间是否短路,正常情况下,C-E之间应有一定阻值(不是0欧),G-E之间应开路,如果短路,IGBT必坏。
- 测量桥堆:同样用二极管档测量交流输入端与直流输出端之间是否短路。
- 更换损坏件:确认IGBT、桥堆等元件损坏后,必须一同更换。强烈建议同时更换驱动电路上的对管(如S8050/S8550)和稳压二极管(如18V稳压管),因为它们很可能已经连带损坏。
- 更换保险丝:将所有确认损坏的元件更换后,换上同规格的新保险丝,再进行通电测试。
- 如果保险丝烧断:说明存在严重短路。切记! 此时不能直接换上新保险丝就通电,否则会再次烧毁,甚至扩大故障范围。
-
如果保险丝完好:
- 测量低压输出:通电(此时手要准备随时拔插头),用万用表直流电压档测量给CPU供电的滤波电容两端(通常是+5V)。
- 如果有+5V电压:说明低压电源正常,问题可能出在CPU、晶振、按键板或驱动电路上,需要进一步检查CPU是否复位(测复位脚电压)、晶振是否起振(用示波器看波形,或用万用表测电压,通常在1.5V-2.5V之间)。
- 如果没有+5V电压:说明开关电源电路未工作,重点检查启动电阻、开关管、电源芯片、变压器等,可以从交流输入端开始,逐级测量电压,找到电压消失的那个环节。
- 测量低压输出:通电(此时手要准备随时拔插头),用万用表直流电压档测量给CPU供电的滤波电容两端(通常是+5V)。
安全警告与维修建议
- 安全第一:电磁炉内部存在高压,非专业人员请勿轻易尝试维修,以免发生触电危险。
- 备件匹配:更换元件时,尤其是IGBT、桥堆、电源芯片等,型号参数必须完全一致,功率、耐压值、电流等都不能低于原规格。
- 驱动电路的重要性:在更换IGBT后,一定要检查并更换其驱动电路上的相关元件(对管、稳压管),否则新换的IGBT很可能再次被击穿。
- 寻求专业帮助:如果您不具备电子维修知识和工具,最稳妥的办法是联系美的官方售后服务或寻找专业的家电维修师傅进行维修,他们有专业的工具和丰富的经验,能快速定位问题,并使用原厂配件,确保安全和维修质量。
美的RH2102电磁炉电源故障,最核心的两大问题是:

(图片来源网络,侵删)
- 保险丝烧 + IGBT/桥堆坏:这是硬性短路,需要成套更换。
- 保险丝好 + 低压电源无输出:这是开关电源本身的问题,需要找到故障点进行修复。
希望这份详细的指南能帮助您了解问题所在,再次强调,如果您不熟悉电路维修,为了人身和设备安全,请务必寻求专业人士的帮助。
